本文へスキップ

株式会社ヨロズヤは、業務用生ゴミ処理機「TRASH」の総販売元です。

TEL. 055-972-7777

〒411-0821 静岡県三島市平田151-1

業務用生ゴミ処理機トラッシュの株式会社ヨロズヤ

仕様・設置

生ゴミは土に還す。

施設・店舗の敷地の片隅で生ゴミの自然還元が実現します。
無駄なランニングコストがかからず、他の処理方法とは比較にならない
安さです。


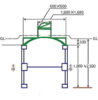
業務用生ゴミ処理機トラッシュの施工図 標準埋設施工例


トラッシュ設置上の注意書き


標準施工事項

必要面積:約1坪
掘削深さ:約2メートル
部材材質:特殊加工樹脂
カバー部:ステンレス・樹脂
耐用年数:20年以上(30年間実績有り)
工事日数:約1日

生ゴミ処理機 トラッシュ
完成(花壇 オプション)
掘削 TRASH組立
1、掘削 2、本体組立
カバー組立 埋め戻し風景
3、カバー組立 4、埋め戻し

問い合わせ

〒411-0821
静岡県三島市平田151-1

TEL  055-972-7777
FAX  055-981-4411

バナースペース

specfamilly.htmlへのリンク